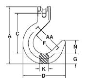
Crosby Foundry Hook
Clevis Foundry Hook

Forged Alloy Steel – Quenched and Tempered.
• Individually Proof Tested to 2-1/2 times the Working Load Limit with certification.
• Each hook has a Product Identification Code (PIC) for material traceability, along with the size and the name Crosby & U.S.A. in raised letters.
• Suitable for use with Grade 100 and Grade 80 chain.
• Fatigue rated at 1-1/2 times the Working Load Limit at 20,000 cycles.
• “Look for the Platinum Color – Crosby Grade 100 Alloy Products.”
• Hook can be tip loaded at the reduced Working Load Limit, see below.
Operator must ensure the load is retained properly in the hook.
| Chain Size | A-1359 Stock No. | Working Load Limit at Saddle of Hook (lbs.) | Working Load Limit at Tip of Hook (lbs.) | Weight LBS | Dimensions (in.) | ||||||||
| (in.) | (mm) | A | C | D | F | G | K | N | AA | ||||
| 1/4″ | 7 | 1049907 | 4300 | 2.15 | 6.26 | 4.38 | 4.82 | 2.5 | 1.13 | 0.88 | 1.57 | 3.5 | |
| 5/16″ | 8 | 1049911 | 5700 | 2.06 | 6.26 | 4.37 | 4.82 | 2.5 | 1.13 | 0.88 | 1.57 | 3.5 | |
| 3/8″ | 10 | 1049916 | 8800 | 4.29 | 7.76 | 5.54 | 5.82 | 3 | 1.38 | 1.3 | 1.88 | 4 | |
| 1/2″ | 13 | 1049925 | 15000 | 7.97 | 9.38 | 6.67 | 7.04 | 3.5 | 1.63 | 1.5 | 2.25 | 4.5 | |
| 5/8″ | 16 | 1049934 | 2260 | 14.2 | 11.25 | 7.68 | 8.17 | 4 | 2.19 | 1.75 | 2.53 | 5 | |
| 3/4″ | 18-20 | 1049943 | 35300 | 24.7 | 14.43 | 9.79 | 9.65 | 5 | 2.4 | 2.2 | 3.39 | 6 | |
| 7/8″ | 22-23 | 1049952 | 44100 | 43.8 | 16.25 | 11.02 | 11.03 | 5.5 | 3.07 | 2.72 | 3.74 | 6.5 | |
Eye Foundry Hook

• Forged Alloy Steel – Quenched and Tempered.
• Individually Proof Tested to 2-1/2 times the Working Load Limit with certification.
• Each hook has a Product Identification Code (PIC) for material traceability, along with the size and the name Crosby & U.S.A. in raised letters.
• Suitable for use with Grade 100 and Grade 80 chain.
• Fatigue rated at 1-1/2 times the Working Load Limit at 20,000 cycles.
• “Look for the Platinum Color – Crosby Grade 100 Alloy Products.”
• Hook can be tip loaded at the reduced Working Load Limit, see below.
Operator must ensure the load is retained properly in the hook.
| Chain Size | A-1329 | Working Load Limit at Saddle of Hook (lbs.) | Working Load Limit at Tip of Hook (lbs.) | Weight LBS | Dimensions (in.) | ||||||||
| (in.) | (mm) | B | D | I | K | L | M | N | O | ||||
| 1/4-5/16 | 7 | 1026280 | 5700 | 2850 | 2 | 1.56 | 4.82 | 0.88 | 1.57 | 0.63 | 4.81 | 2.5 | 1.13 |
| 3/8″ | 8 | 1026289 | 8800 | 4400 | 3.8 | 2.07 | 5.82 | 1.3 | 1.88 | 0.81 | 5.5 | 3 | 1.38 |
| 1/2″ | 10 | 1026297 | 15000 | 7500 | 7.2 | 2.53 | 7.04 | 1.5 | 2.25 | 1.03 | 7.11 | 3.5 | 1.63 |
| 5/8″ | 13 | 1026306 | 22600 | 11300 | 12.3 | 3 | 8.17 | 1.75 | 2.53 | 1.25 | 7.96 | 4 | 2.19 |
| 3/4″ | 16 | 1026315 | 35300 | 17650 | 23 | 4.13 | 9.65 | 2.2 | 3.39 | 1.97 | 10.75 | 5 | 2.4 |
| 7/8″ | 18-20 | 1026324 | 44100 | 22050 | 40.6 | 4.77 | 11.03 | 2.72 | 3.74 | 2.28 | 12.25 | 5.5 | 3.07 |
| 1″ | 22-23 | 1026333 | 59700 | 29850 | 51.7 | 5.33 | 11.9 | 2.83 | 3.93 | 2.56 | 13.37 | 6 | 3.31 |
| 1-1/4″ | 32 | 1026342 | 90400 | 45200 | 84.4 | 6.61 | 13.25 | 3.5 | 4.33 | 3.15 | 15.25 | 6.5 | 3.84 |