- Rigging Training
- Quality Products
- Customer Service
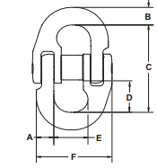
Hammerlok

- New Classic stainless steel non-corrosive retainer
| Trade Size |
Working Load Limit |
Product Code |
Load Pin Product code |
A |
B |
C |
D |
E |
F |
Weight |
| 9/32″ |
4 300lbs |
667028-2 |
R667028-2 |
0.365″ |
0.435″ |
2.75″ |
0.71″ |
0.541″ |
1.69″ |
0.28lbs |
| 3/8″ |
8 800lbs |
667038-2 |
R667038-2 |
0.502″ |
0.591″ |
3.00″ |
1.16″ |
0.910″ |
2.5″ |
0.84lbs |
| 1/2″ |
15 000lbs |
667050-2 |
R667050-2 |
0.678″ |
0.780″ |
3.80″ |
1.43″ |
1.097″ |
3.19″ |
1.87lbs |
| 5/8″ |
22 600lbs |
667062-2 |
R667062-2 |
0.804″ |
0.905″ |
4.54″ |
1.74″ |
1.317″ |
3.88″ |
3.13lbs |
| 3/4″ |
35 300lbs |
667075-2 |
R667075-2 |
0.973″ |
1.071″ |
5.36″ |
2.09″ |
1.516″ |
4.69″ |
5.75lbs |
Call us first at
1-888-474-1610
Wire rope, nylon, chain and much more...
Call us first at +1 (888) 474-1610