Rigging Hook

- Large eye to easily accommodate otherG100 fittings
- Quench & tempered alloy steel
- Durable gray powder coated finish
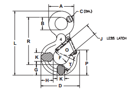
| Trade Size | Working Load Limit | Product Code/ latch | Product Code w/o latch2 | B | C | D | F | G | H | J | K | L | O | P | R | T | Weight | |
| 7/32″ | 2 700LBS | M7502A | M7402A | 1.5″ | 0.75″ | 0.38″ | 3.06″ | 1.25″ | 0.87″ | 1.05″ | 0.93″ | 0.63″ | 4.37″ | 0.93″ | 2.12″ | 3.13″ | 0.87″ | 0.66LBS |
| 9/32? | 4 300LBS | M7503A | M7403A | 1.75″ | 0.88″ | 0.44″ | 3.33″ | 1.38″ | 0.94″ | 1.11″ | 0.97″ | 0.71″ | 5.04″ | 0.97″ | 2.27″ | 3.66″ | 0.97″ | 1.12LBS |
| 5/16″ | 5 700LBS | M7504A | M7404A | 2.13″ | 1.13″ | 0.50″ | 3.67″ | 1.50″ | 1.06″ | 1.21″ | 1.06″ | 0.88″ | 5.63″ | 1.06″ | 2.54″ | 4.09″ | 1.03″ | 1.46LBS |
| 3/8″ | 8 800LBS | M7505A | M7405A | 2.5″ | 1.25″ | 0.63″ | 4.20″ | 1.63″ | 1.27″ | 1.43″ | 1.19″ | 0.94″ | 6.55″ | 1.16″ | 2.80″ | 4.67″ | 1.16″ | 2.42LBS |
| 1/2″ | 15 000LBS | M7507A | M7407A | 3.06″ | 1.56″ | 0.75″ | 5.11″ | 2.0″ | 1.44″ | 1.63″ | 1.50″ | 1.31″ | 7.97″ | 1.41″ | 3.47″ | 5.78″ | 1.53″ | 4.10LBS |
| 5/8″ | 22 600LBS | M7509A | M7A09A | 3.88″ | 2.00″ | 0.94″ | 6.24″ | 2.50″ | 1.82″ | 2.01″ | 1.78″ | 1.68″ | 10.07″ | 1.69″ | 4.59″ | 7.31″ | 1.94″ | 8.16LBS |